acasa
produse
conectoare
adaptoare
radio-frecventa
audio-video
conectivitate
alte adaptoare
cabluri
accesorii
accesorii rack
mobilier studiouri
catalog
info comerciale
conditii de vanzare
cum comand
cum platesc
cum primesc
info tehnice
specificatii tehnice conectoare
referinte cabluri coaxiale, conform standardizarii RG
metoda de sertizare a conectorului pe cablu
metoda de fixare prin strangere a conectorului pe cablu
metoda de fixare prin compresie a conectorului pe cablu
metoda de fixare mecanica (si lipire) a conectorilor cu cot pe cablu semirigid
codul culorilor pentru cabluri multipereche - de camera
codul culorilor pentru cabluri multicore
tabela de conversie AWG - mm2
despre noi
contact
Telefon: +40-722 323 087
Cautare dupa denumire
Introduceti un cuvant sau
mai multe cuvinte semnificative,
cu virgula intre ele
exemplu:
cablu, rg59
sau
BNC, PANOU
Cautare dupa codul Charma
Introduceti o parte din acesta,
exemplu:
CSMA01
PROMOTIE PRODUS
10 decembrie - 20 ianuarie
Cablu HDTV conductor solid, D=6.95mm
cod 1694ASIV
TOP PRODUSE
Cablu coaxial LMR400, LOW LOSS, HIGH FREQUENCIES
Cablu SDI CANARE, pentru aplicatii mobile, D=5.8mm
BNC tata cablu sertizare 12GHz, aurit, pt. BELDEN 1505A
CONECTOARE
->SMA->de cablu->cu sertizare->tata
conectoare
•
adaptoare
•
cabluri
•
accesorii
•
accesorii rack
•
mobilier studiouri
pana acum ati vizitat grupele:
solutia zilei pentru conversie,
extensie, integrare si
adaptare de semnal audio-video
Despre GEFEN
Noutati de la GEFEN
Schita generala
Lichidare de stoc
Contacteaza-ne pe e-mail
Cum comand
Cum platesc
Cum primesc
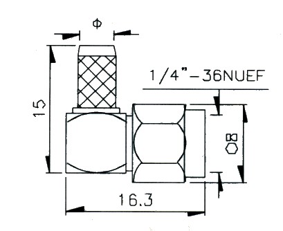
SMA tata cablu sertizare la 90 grade RG58, nichel
COD CSMA04V58*
vezi schita
<< INAPOI LA GRUPA <<
Ar mai trebui sa stii si ...
Vreau rapid informatii despre disponibilitate si pret
Adauga in lista pentru
cotatie de pret
pentru montaj vezi si...
selectate pentru cotatie de pret
Cautare rapida
pe domenii de interes
Produse noi
KORUS - BNC 12G
CUM ALEG cabluri, adaptoare
si conectoare HD-SDI